Watts - FD-200-DD - Floor Drain with Hub Funnel
FREE SHIPPING
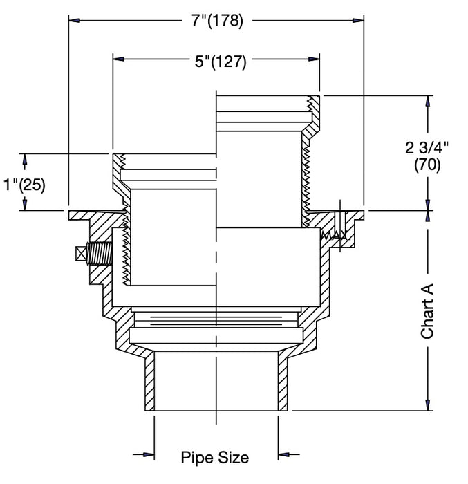
The Watts FD-200-DD is a specification-grade on-grade floor drain built for commercial applications. It features an epoxy-coated cast iron body with an anchor flange and dual weepholes to handle seepage. The standout feature is its open-throat hub funnel designed to accept indirect waste or condensate lines. The unit offers flexibility in strainer material (cast iron or nickel bronze) and maintains a no-hub outlet connection for standard piping configurations.
Key Features
-
Open-throat hub funnel for indirect waste or condensate line connections
-
Epoxy-coated cast iron body with anchor flange and dual weepholes for double drainage
-
Stackable cast iron or nickel bronze strainer options with extended shank
-
No-hub outlet connection standard (push-on or inside-caulk options available)
-
Compatible with trap primer tapping, sediment bucket, vandal-proof grate options

Downloads:
