Zurn Z163 - 15" Diameter Combination Main Roof and Overflow
FREE SHIPPING
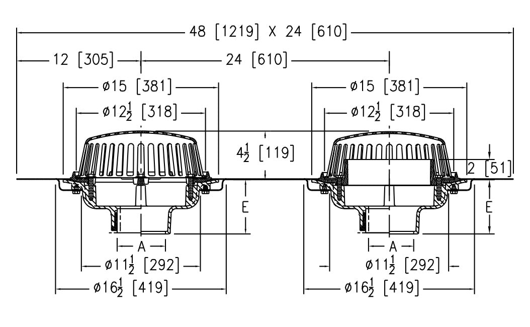
15" Diameter Combination Main Roof and Overflow Drain with Low Silhouette Domes and Double Top-Set® Deck Plate
The Zurn Z163 is a 15-inch combination main roof and overflow drain engineered for robust drainage, safety, and durability. Designed to serve as both primary and emergency overflow protection in one unit, it is especially suited for commercial or industrial roofing systems where roof integrity and rapid water removal are vital. It excels in applications requiring both flow capacity and redundancy to prevent water damage under heavy weather loads.
Key Features
-
Dual-Function Design: Combines main drainage and overflow capacity in one unit, reducing installation complexity and maximizing roof protection.
-
Durable Construction: Heavy-duty cast iron body with corrosion-resistant coating ensures long service life under demanding conditions.
-
Efficient Flow Management: Equipped with a secure flashing clamp, gravel guard, and low-profile dome strainer to prevent debris buildup and maintain continuous water evacuation.

Downloads:
Product Codes: Z163-8IC, Z163-10IC, Z163-12IC, Z163-8IP, Z163-10IP, Z163-12IP, Z163-8NH, Z163-10NH, Z163-12NH, Z163-8NL, Z163-10NL, Z163-12NL, ZA163-8IC, ZA163-10IC, ZA163-12IC, ZA163-8IP, ZA163-10IP, ZA163-12IP, ZA163-8NH, ZA163-10NH, ZA163-12NH, ZA163-8NL, ZA163-10NL, ZA163-12NL, ZC163-8IC, ZC163-10IC, ZC163-12IC, ZC163-8IP, ZC163-10IP, ZC163-12IP, ZC163-8NH, ZC163-10NH, ZC163-12NH, ZC163-8NL, ZC163-10NL, ZC163-12NL,
