Zurn Z181 - 6" Diameter Cornice Drain
FREE SHIPPING
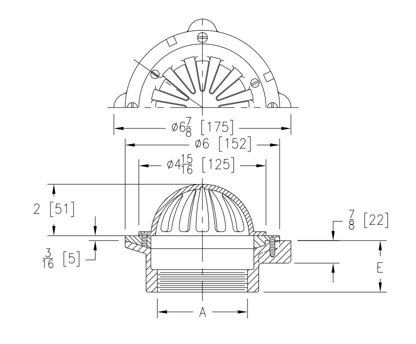
The Zurn Z181 is a 6-inch diameter cornice roof drain that stands just 2 inches high. Designed for gutters, parapets, and smaller roof edge areas, it combines durability with aesthetic detail. This drain balances form and function by protecting the roof membrane, directing water efficiently, and finishing edge detail with style.
Key Features
-
Rugged Construction: Dura-coated cast iron body built to resist corrosion and provide long service life.
-
Decorative Dome Cover: Comes with a domed cover in bronze or nickel-bronze, giving a refined appearance while maintaining reliable operation.
-
Membrane Flashing Clamp: Securely anchors the roofing membrane to ensure a watertight seal around the drain, preventing leaks at vulnerable roof edges.

Downloads:
Product Codes: Z181-3IP, Z181-3NH, Z181-3IC, Z181-3IG, Z181-4IP, Z181-4NH, Z181-4IC, Z181-4IG, Z181-5IP, Z181-5NH, Z181-5IC, Z181-5IG, Z181-6IP, Z181-6NH, Z181-6IC, Z181-6IG, ZB181-3IP, ZB181-3NH, ZB181-3IC, ZB181-3IG, ZB181-4IP, ZB181-4NH, ZB181-4IC, ZB181-4IG, ZB181-5IP, ZB181-5NH, ZB181-5IC, ZB181-5IG, ZB181-6IP, ZB181-6NH, ZB181-6IC, ZB181-6IG, ZN181-3IP, ZN181-3NH, ZN181-3IC, ZN181-3IG, ZN181-4IP, ZN181-4NH, ZN181-4IC, ZN181-4IG, ZN181-5IP, ZN181-5NH, ZN181-5IC, ZN181-5IG, ZN181-6IP, ZN181-6NH, ZN181-6IC, ZN181-6IG,
