Zurn Z1926 - 16" X 16" Sani-Flor Receptor 12" Sump Depth
FREE SHIPPING
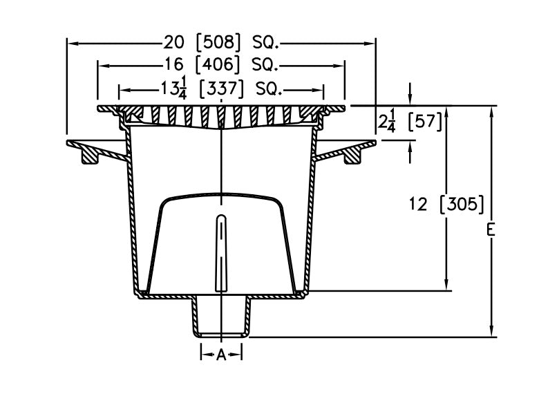
The Zurn Z1926 is a heavy-duty Sani-Flor floor sink (receptor) built for demanding sanitary drainage applications. It features a 16″ × 16″ cast-iron body with a 12″ deep sump and includes a seepage flange for waterproofing. The interior and top surfaces are coated with a white acid-resisting epoxy to resist chemical damage, while the design helps maintain hygienic conditions in high-use environments.
Key Features
-
Heavy-duty slotted grate and anti-splash interior bottom dome strainer
-
Anchor flange integrated for secure waterproof installation
-
Acid-resisting epoxy coated interior and top for corrosion and chemical resistance

Downloads:
Product Codes: Z1926-2NH, Z1926-3NH, Z1926-4NH, Z1926-6NH, Z1926-8NH, Z1926-2NL, Z1926-3NL, Z1926-4NL, Z1926-6NL, Z1926-8NL, ZN1926-2NH, ZN1926-3NH, ZN1926-4NH, ZN1926-6NH, ZN1926-8NH, ZN1926-2NL, ZN1926-3NL, ZN1926-4NL, ZN1926-6NL, ZN1926-8NL, Z1926-3IC-2-23-31, Z1926-4IC-2-23-31, Z1926-4NH-2, Z1926-4NH-2-C, Z1926-4NH-C, ZN1926-4NH-2, Z1926-4NL
